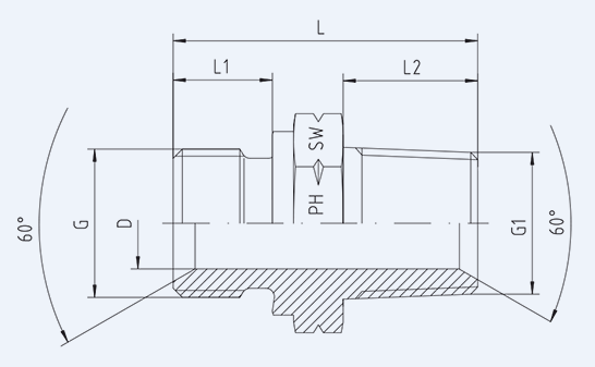
Adapter NPTF/R-gänga SY

Artikelnr: 0385442020