Plåttank 55 liter CF55GC

Artikelnr: 7577001055
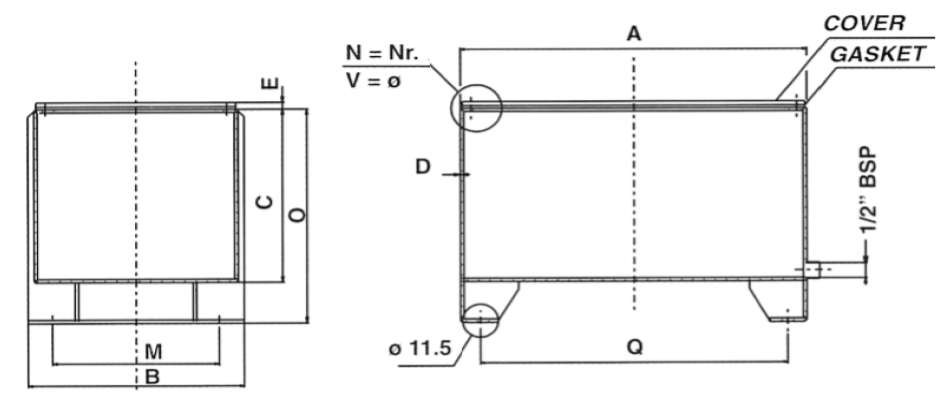
Specifikationer
Användningsområde Plåttank kompl. lock & tätning
DimensionA 600 mm
DimensionB 470 mm
DimensionC 310 mm
DimensionD 2,5 mm
DimensionE 4 mm
Förp. Antal 1
Tankvolym 58 l
Höjd 365 mm
Bult M 8
Mått LxHxB 765x520x210 mm
Dokument