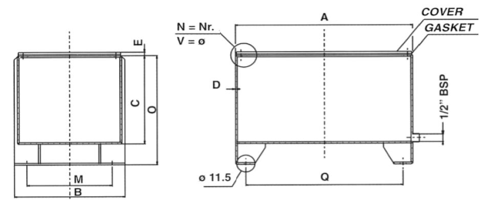
Plåttank 165 liter CF180GC

Artikelnr: 7577001180