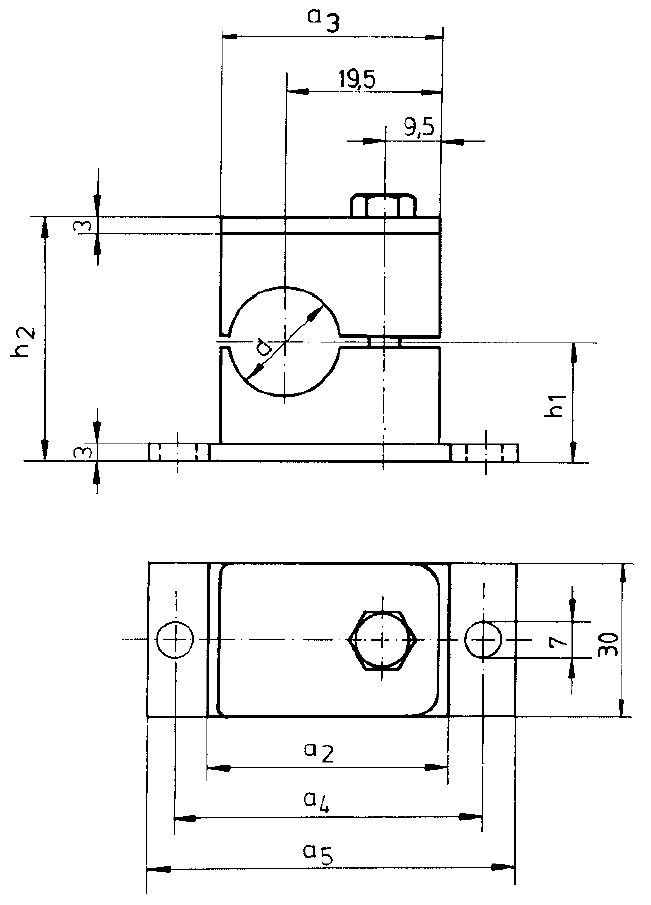
Rörklammer SP 108 PP-IS

Artikelnr: 7700000081