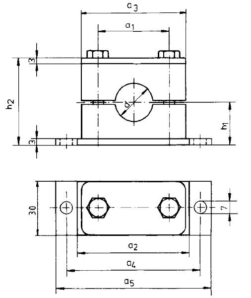
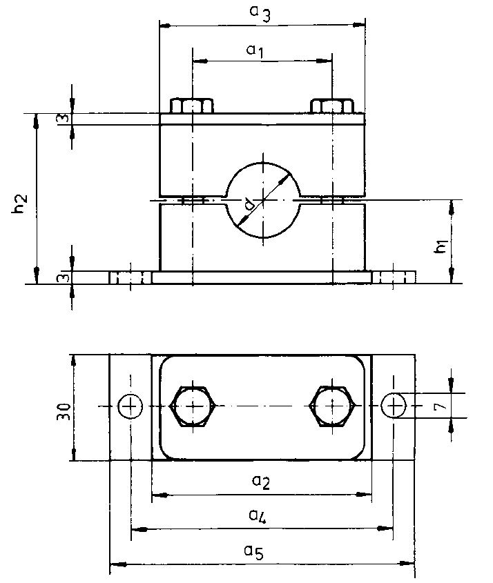
Rörklammer SP 108A PP-IS

Artikelnr: 7700001081