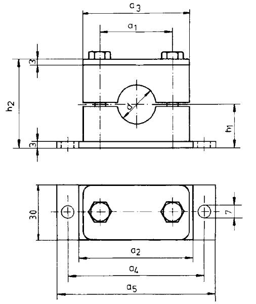
Rörklammer SP 322 PP-IS

Artikelnr: 7700003221
Kunder som köpte denna köpte också