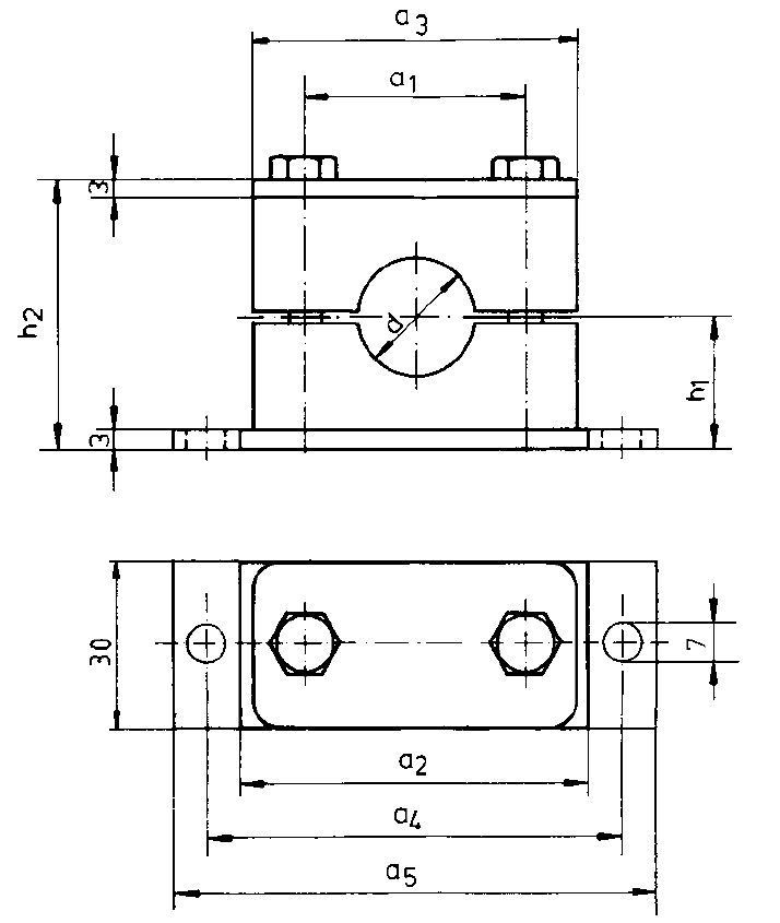
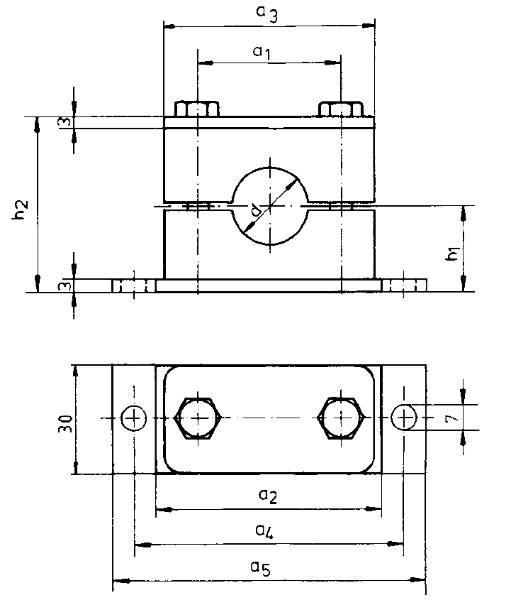
Rörklammer SP 538 PP-IS

Artikelnr: 7700005381
Kunder som köpte denna köpte också