Menu
Sök
Personal menu
Sök i butiken
Close
Sök
Mitt konto
Mitt konto
Close
Logga in
Webshop - Alla kategorier
Menu
Close
AMAB Startsida
Ledningskomponenter
Hydraulikkomponenter
Övriga Produkter
Pressmått
Kontakt
Webshop - Alla kategorier
Back
Ledningskomponenter
Hydraulikkomponenter
Övriga Produkter
AMAB Startsida
Pressmått
Kontakt
Hem
/
Hydraulikkomponenter
/
Hydraulmotorer
/
Orbitmotorer
/
Brevini/Sam Hydraulik
/
Orbitmotor BGM-S-020-FRO-CL160
Orbitmotor BGM-S-020-FRO-CL160
Artikelnr:
7801020501
Dela:
Share on Twitter
Share on Facebook
Share on Pinterest
Tipsa en vän
Specifikationer
Dokumentation
Specifikationer
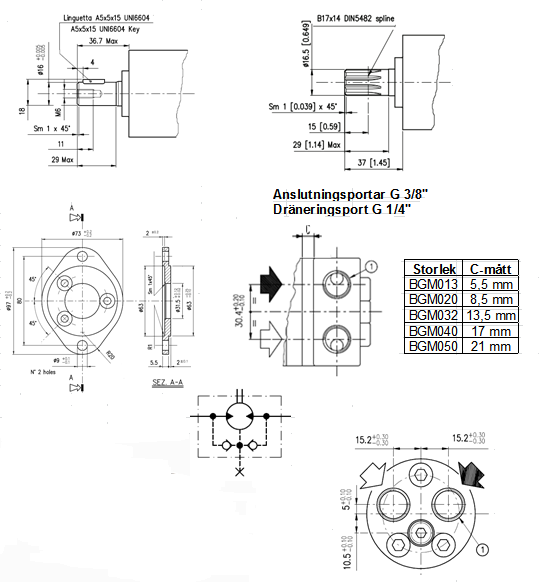
Anslutning G1
G 3/8"
Anslutning G2
G 1/4" dränering
Deplacement
20 cc
DimensionA
116,8 mm
DimensionB
98,3 mm
DimensionC
8,5 mm
Förp. Antal
1
Max rpm.
1000
Max arbetstryck
14 MPa
Axel
Ø 16mm
Beskrivning
Gavelportar
Max vridmoment
25 Nm
Effekt
2,3 kW
Max flöde
20 l/min
Fabrikat
Dana
Dokument
Orbit BGM
Orbit BGM bild