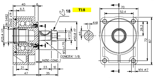
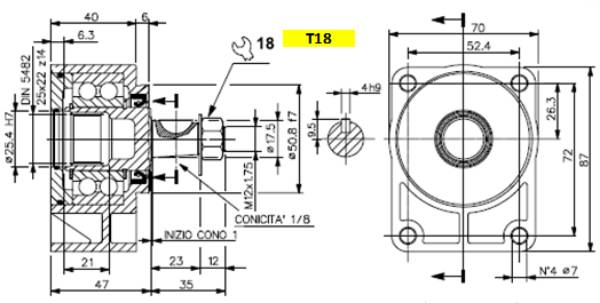
Stödlager Gr.1-konisk axel 1:8

Artikelnr: 7990000018
Kunder som köpte denna köpte också