Menu
Sök
Personal menu
Sök i butiken
Close
Sök
Mitt konto
Mitt konto
Close
Logga in
Webshop - Alla kategorier
Menu
Close
AMAB Startsida
Ledningskomponenter
Hydraulikkomponenter
Övriga Produkter
Pressmått
Kontakt
Webshop - Alla kategorier
Back
Ledningskomponenter
Hydraulikkomponenter
Övriga Produkter
AMAB Startsida
Pressmått
Kontakt
Hem
/
Hydraulikkomponenter
/
Hjälpventiler
/
Spärrventiler
/
Slangbrottsventiler
/
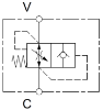
Slangbrottsventil VUBR 1/2"
Slangbrottsventil VUBR 1/2"
Extern justering, Oleodinamica Marchesini
G 1/2" Max 70 l/min
Stål
OEM: V0795
Artikelnr:
8010023808
Dela:
Share on Twitter
Share on Facebook
Share on Pinterest
Tipsa en vän
Specifikationer
Dokumentation
Specifikationer
Material
Stål
Användningsområde
Slangbrottsventil
Arbetstryck
30 MPa
Beskrivning
Extern justering
Anslutning
G 1/2"
Fabrikat
Oleodinamica Marchesini
OEM
V0795
Område
Max 70 l/min
Dokument
Web - Teknisk data
VUBR