Menu
Sök
Personal menu
Sök i butiken
Close
Sök
Mitt konto
Mitt konto
Close
Logga in
Webshop - Alla kategorier
Menu
Close
AMAB Startsida
Ledningskomponenter
Hydraulikkomponenter
Övriga Produkter
Pressmått
Kontakt
Webshop - Alla kategorier
Back
Ledningskomponenter
Hydraulikkomponenter
Övriga Produkter
AMAB Startsida
Pressmått
Kontakt
Hem
/
Hydraulikkomponenter
/
Hjälpventiler
/
Spärrventiler
/
Lasthållningsventiler
/
Dubbel
/
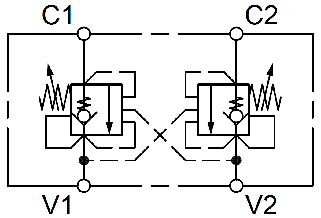
Lasthållningsventil dubbel VBCD-3/8-DE-CC
Lasthållningsventil dubbel VBCD-3/8-DE-CC
Oleodinamica Marchesini
G 3/8"", 35 l/min, 35 MPa, 1:3,1
Stål
OEM: V0441
Artikelnr:
8010031206
Dela:
Share on Twitter
Share on Facebook
Share on Pinterest
Tipsa en vän
Specifikationer
Dokumentation
Specifikationer
Material
Stål
Pilot förhållande
1:3,1
Användningsområde
Lasthållningsventil
Arbetstryck
35 MPa
Flöde
35 l/min
Beskrivning
Dubbel
Anslutning
G 3/8"
Fabrikat
Oleodinamica Marchesini
OEM
V0441
Område
5-35 MPa
Fabriksinställning
32 MPa
Kompenserad
Ja
Montage
Ledningsmontage
Dokument
Web - Teknisk data
VBCD DE CC
Kunder som köpte denna köpte också
Presshylsa skalfri MF2000 3/8"
Artnr: 0000261006
Hydraulslang Rockmaster/2SN DN10
Artnr: 0100482006
Tillverkare:
Manuli Hydraulics Polska S.A
Presshylsa skalfri MF2000 1/4"
Artnr: 0000261004
Tredo 16C 3/8"
Artnr: 4500001016