Menu
Sök
Personal menu
Sök i butiken
Close
Sök
Mitt konto
Mitt konto
Close
Logga in
Webshop - Alla kategorier
Menu
Close
AMAB Startsida
Ledningskomponenter
Hydraulikkomponenter
Övriga Produkter
Pressmått
Kontakt
Webshop - Alla kategorier
Back
Ledningskomponenter
Hydraulikkomponenter
Övriga Produkter
AMAB Startsida
Pressmått
Kontakt
Hem
/
Hydraulikkomponenter
/
Hjälpventiler
/
Spärrventiler
/
Slangbrottsventiler
/
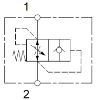
Slangbrottsventil VPN1-G34-00-00
Slangbrottsventil VPN1-G34-00-00
Insats, Boschrexroth
G 3/4" 31,5 MPa 25-150 l/min
OEM: R901161819
Artikelnr:
8201161819
Dela:
Share on Twitter
Share on Facebook
Share on Pinterest
Tipsa en vän
Specifikationer
Dokumentation
Specifikationer
Användningsområde
Slangbrottsventil
Arbetstryck
31,5 MPa
Beskrivning
Insats
Storlek
G 3/4"
Öppningstryck
På
Fabrikat
Boschrexroth
OEM
R901161819
Område
25-150 l/min
Dokument
Web - Teknisk data
VPN1