Menu
Sök
Personal menu
Sök i butiken
Close
Sök
Mitt konto
Mitt konto
Close
Logga in
Webshop - Alla kategorier
Menu
Close
AMAB Startsida
Ledningskomponenter
Hydraulikkomponenter
Övriga Produkter
Pressmått
Kontakt
Webshop - Alla kategorier
Back
Ledningskomponenter
Hydraulikkomponenter
Övriga Produkter
AMAB Startsida
Pressmått
Kontakt
Hem
/
Hydraulikkomponenter
/
Patronventiler
/
Riktningsventiler
/
Slidventiler
/
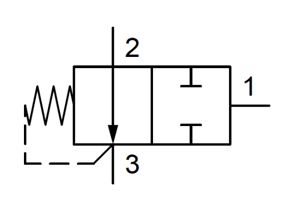
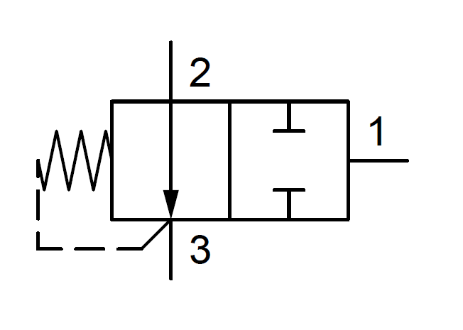
Patronventil 047733008505000
Patronventil 047733008505000
Riktningsventil Boschrexroth
2/2, 50 l/min, 35 MPa, Hydraulisk
Kavitet: CA-10A-3N
OEM: R930000965
Artikelnr:
8230000965
Dela:
Share on Twitter
Share on Facebook
Share on Pinterest
Tipsa en vän
Leverera till
Välj land
Sweden
*
Övrigt
*
Leveranssätt
Namn
Beräknad leverans
Pris
Inga leveransalternativ
Använd
Specifikationer
Dokumentation
Specifikationer
Användningsområde
Riktningsventil
Arbetstryck
35 MPa
Flöde
50 l/min
Beskrivning
2/2
Kavitet
CA-10A-3N
Fabrikat
Boschrexroth
OEM
R930000965
Manöver
Hydraulisk
Nödmanöver
Nej
Dokument
Web - Teknisk data
8230000965 Datablad