Menu
Sök
Personal menu
Sök i butiken
Close
Sök
Mitt konto
Mitt konto
Close
Logga in
Webshop - Alla kategorier
Menu
Close
AMAB Startsida
Ledningskomponenter
Hydraulikkomponenter
Övriga Produkter
Pressmått
Kontakt
Webshop - Alla kategorier
Back
Ledningskomponenter
Hydraulikkomponenter
Övriga Produkter
AMAB Startsida
Pressmått
Kontakt
Hem
/
Hydraulikkomponenter
/
Hjälpventiler
/
Spärrventiler
/
Lasthållningsventiler
/
Dubbel
/
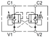
Lasthållningsventil dubbel 054247030235000
Lasthållningsventil dubbel 054247030235000
Boschrexroth
G 3/8", 40 l/min, 21 MPa, 1:6,6
Aluminium
OEM: R930001860
Artikelnr:
8230001860
Dela:
Share on Twitter
Share on Facebook
Share on Pinterest
Tipsa en vän
Specifikationer
Dokumentation
Specifikationer
Användningsområde
Lasthållningsventil
Arbetstryck
21 MPa
Material
Stål
Flöde
40 l/min
Beskrivning
Dubbel
Pilot förhållande
1:6,6
Anslutning
G 3/8"
Fabrikat
Boschrexroth
OEM
R930001860
Område
5-35 MPa
Fabriksinställning
35 MPa
Kompenserad
Nej
Montage
Ledningsmontage
Dokument
Web - Teknisk data
8230001860 Datablad
Kunder som köpte denna köpte också
Rör E235 12x1,5 Fz
Artnr: 7498712015
Nippel inv. JIC 7/8"-1/2"
Artnr: 0045211008
Rör St 37.4 15x1,5 Fz
Artnr: 7498715015
Rör E235 16x2 Fz
Artnr: 7498716020