Menu
Sök
Personal menu
Sök i butiken
Close
Sök
Mitt konto
Mitt konto
Close
Logga in
Webshop - Alla kategorier
Menu
Close
AMAB Startsida
Ledningskomponenter
Hydraulikkomponenter
Övriga Produkter
Pressmått
Kontakt
Webshop - Alla kategorier
Back
Ledningskomponenter
Hydraulikkomponenter
Övriga Produkter
AMAB Startsida
Pressmått
Kontakt
Hem
/
Hydraulikkomponenter
/
Hjälpventiler
/
Spärrventiler
/
Lasthållningsventiler
/
Enkel
/
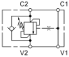
Lasthållningsventil enkel 083959030235000
Lasthållningsventil enkel 083959030235000
Boschrexroth
G 3/8", 60 l/min, 41 MPa, 1:4,2
Stål
OEM: R930006443
Artikelnr:
8230006443
Dela:
Share on Twitter
Share on Facebook
Share on Pinterest
Tipsa en vän
Specifikationer
Dokumentation
Specifikationer
Material
Stål
Användningsområde
Lasthållningsventil
Arbetstryck
41 MPa
Flöde
60 l/min
Beskrivning
Enkel
Pilot förhållande
1:4,2
Anslutning
G 3/8"
Fabrikat
Boschrexroth
OEM
R930006443
Område
18-35 MPa
Fabriksinställning
35 MPa
Kompenserad
Nej
Montage
Ledningsmontage
Dokument
Web - Teknisk data
8230006443 Datablad