Menu
Sök
Personal menu
Sök i butiken
Close
Sök
Mitt konto
Mitt konto
Close
Logga in
Webshop - Alla kategorier
Menu
Close
AMAB Startsida
Ledningskomponenter
Hydraulikkomponenter
Övriga Produkter
Pressmått
Kontakt
Webshop - Alla kategorier
Back
Ledningskomponenter
Hydraulikkomponenter
Övriga Produkter
AMAB Startsida
Pressmått
Kontakt
Hem
/
Hydraulikkomponenter
/
Riktningsventiler
/
Nordhydraulic riktningsventiler
/
RM 270
/
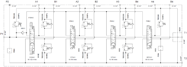
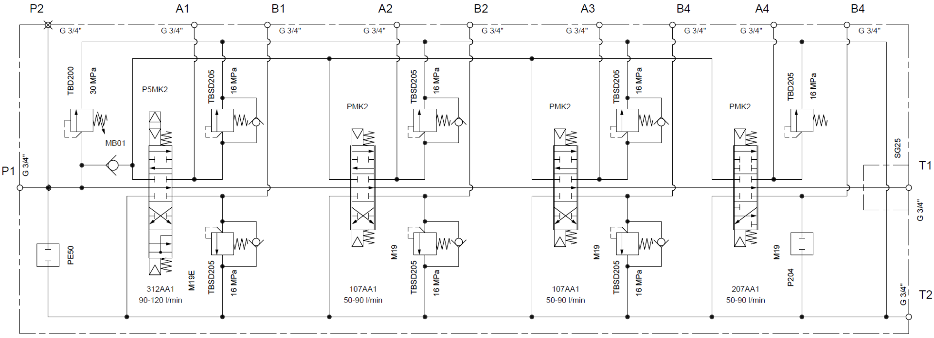
Riktningsventil RM274-DFP-DP-DP-EP-S
Riktningsventil RM274-DFP-DP-DP-EP-S
Monoblock Nordhydraulic
RM274/TBD 300/MB01/PE50
312AA1/P5MK2/M19E/A-TBSD 160/B-TBSD 160
107AA1/PMK2/M19/A-TBSD 160/B-TBSD 160
107AA1/PMK2/M19/A-TBSD 160/B-TBSD 160
207AA1/PMK2/M19/A-TBSD 160
SG25
OEM: 1604-004892
Artikelnr:
8773420404
Dela:
Share on Twitter
Share on Facebook
Share on Pinterest
Tipsa en vän
Specifikationer
Dokumentation
Specifikationer
Användningsområde
Riktningsventil monoblock
Arbetstryck
21 MPa
Flöde
120 l/min
Ytbehandling
RAL 9005
Antal sektioner
4
Fabrikat
Nordhydraulic
OEM
1604-004892
Serie
RM270
Dokument
Web - Teknisk data
RM 270 Datablad
8773420404 Schema