Menu
Sök
Personal menu
Sök i butiken
Close
Sök
Mitt konto
Mitt konto
Close
Logga in
Webshop - Alla kategorier
Menu
Close
AMAB Startsida
Ledningskomponenter
Hydraulikkomponenter
Övriga Produkter
Pressmått
Kontakt
Webshop - Alla kategorier
Back
Ledningskomponenter
Hydraulikkomponenter
Övriga Produkter
AMAB Startsida
Pressmått
Kontakt
Hem
/
Hydraulikkomponenter
/
Riktningsventiler
/
Nordhydraulic riktningsventiler
/
RM 270
/
Riktningsventil RM276-DM-DM-DM-DM-EM-EM-T
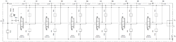
Riktningsventil RM276-DM-DM-DM-DM-EM-EM-T
Monoblock Nordhydraulic
RM276/TBD 165/MB01/PE50
107AA1/9/M19
107AA1/9/M19
107AA1/9/M19
107AA1/9/M19
207AA1/9/M19
207AA1/9/M19
T
OEM: 1606-014719
Artikelnr:
8773431102
Dela:
Share on Twitter
Share on Facebook
Share on Pinterest
Tipsa en vän
Specifikationer
Dokumentation
Specifikationer
Antal sektioner
6
Fabrikat
Nordhydraulic
Användningsområde
Riktningsventil monoblock
Arbetstryck
21 MPa
Flöde
120 l/min
Ytbehandling
RAL 9005
OEM
1606-014719
Serie
RM270
Dokument
Web - Teknisk data
8773431102 Schema
RM 270 Datablad