Menu
Sök
Personal menu
Sök i butiken
Close
Sök
Mitt konto
Mitt konto
Close
Logga in
Webshop - Alla kategorier
Menu
Close
AMAB Startsida
Ledningskomponenter
Hydraulikkomponenter
Övriga Produkter
Pressmått
Kontakt
Webshop - Alla kategorier
Back
Ledningskomponenter
Hydraulikkomponenter
Övriga Produkter
AMAB Startsida
Pressmått
Kontakt
Hem
/
Hydraulikkomponenter
/
Riktningsventiler
/
Nordhydraulic riktningsventiler
/
RM 270
/
Riktningsventil RM272-DP-DP-S
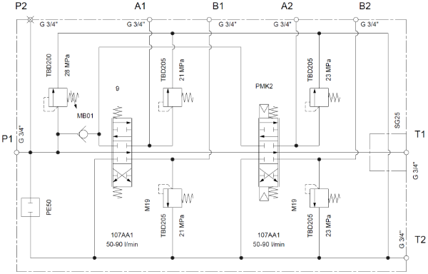
Riktningsventil RM272-DP-DP-S
Monoblock Nordhydraulic
RM272/TBD 280/MB01/PE50
107AA1/9/M19/A-TBD 210/B-TBD 210
107AA1/PMK2/M19/A-TBD 230/B-TBD 230
SG25
OEM: 1602-010069
Artikelnr:
8778310102
Dela:
Share on Twitter
Share on Facebook
Share on Pinterest
Tipsa en vän
Specifikationer
Dokumentation
Specifikationer
Antal sektioner
2
Fabrikat
Nordhydraulic
Användningsområde
Riktningsventil monoblock
Arbetstryck
21 MPa
Flöde
120 l/min
Ytbehandling
RAL 9005
OEM
1602-010069
Serie
RM270
Dokument
Web - Teknisk data
RM 270 Datablad
8778310102 Schema