NG10 Vent. AD.5.E.04.C.W.(DC)

Artikelnr: 8805403140
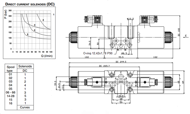
Specifikationer
Användningsområde Riktningsventil utan spolar
Åtdragningsmoment 8 Nm
Förp. Antal 1
OBS Max tryck T-port 25 MPa
Max arbetstryck 35 MPa
Spänning DC
Antal magnet spolar Dubbel
Överlapp minus
Max flöde 100 MPa
Fabrikat Dana
Dokument
Web - Teknisk data
Kunder som köpte denna köpte också
MHA Zentgraf
G 1/2", 35 MPa
Stål
OEM: 94205-01-917-22827

Backventil VU12M 12M

Artnr: 8002208000

Faster
G 1/2", 90 l/min; 35 MPa, Stål
Öppningstryck: 0,035 MPa
OEM: VU12M 12M

Cylinder 40/25x150 LL20

Artnr: 9025040150

Cylinder 40/25x250 LL20

Artnr: 9025040250