Menu
Sök
Personal menu
Sök i butiken
Close
Sök
Mitt konto
Mitt konto
Close
Logga in
Webshop - Alla kategorier
Menu
Close
AMAB Startsida
Ledningskomponenter
Hydraulikkomponenter
Övriga Produkter
Pressmått
Kontakt
Webshop - Alla kategorier
Back
Ledningskomponenter
Hydraulikkomponenter
Övriga Produkter
AMAB Startsida
Pressmått
Kontakt
Hem
/
Hydraulikkomponenter
/
Cetopventiler
/
NG10 / Cetop 5
/
Riktningsventiler NG10
/
NG10 Vent. AD.5.E.04.C.W.J5.DC
NG10 Vent. AD.5.E.04.C.W.J5.DC
Artikelnr:
8805403149
Dela:
Share on Twitter
Share on Facebook
Share on Pinterest
Tipsa en vän
Specifikationer
Dokumentation
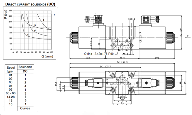
Specifikationer
Användningsområde
Riktningsventil utan spolar
Åtdragningsmoment
8 Nm
Förp. Antal
1
OBS
Max tryck T-port 25 MPa
Max arbetstryck
35 MPa
Spänning
DC
Antal magnet spolar
Dubbel
Överlapp
minus
Max flöde
100 l/min
Fabrikat
Dana
Dokument
Web - Teknisk data
AD5E