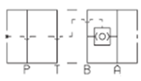
NG6 Växelventil AM.3.SH

Artikelnr: 8823028006
Specifikationer
Användningsområde Växelventil Cetop 3
Förp. Antal 1
Max arbetstryck 35 MPa
Flöde Max flöde över ventil 3 l/min
Max flöde 40 l/min
Fabrikat Dana
Kunder som köpte denna köpte också
MHA Zentgraf
G 3/8", 35 MPa
Stål
OEM: 94204-01-917-18259
3-vägs Walvoil
G 3/8", 20 l/min, 21 MPa
Område: 4-11 MPa
OEM: 1230021125