Menu
Sök
Personal menu
Sök i butiken
Close
Sök
Mitt konto
Mitt konto
Close
Logga in
Webshop - Alla kategorier
Menu
Close
AMAB Startsida
Ledningskomponenter
Hydraulikkomponenter
Övriga Produkter
Pressmått
Kontakt
Webshop - Alla kategorier
Back
Ledningskomponenter
Hydraulikkomponenter
Övriga Produkter
AMAB Startsida
Pressmått
Kontakt
Hem
/
Hydraulikkomponenter
/
Riktningsventiler
/
Brevini riktningsventiler
/
Byggbara riktningsventiler HPV 41
/
Inloppssektioner
/
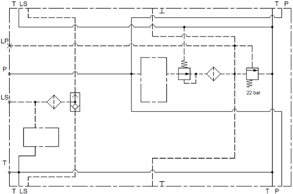
Mittinlopp HPV 41 Closed center LS-avlastning
Mittinlopp HPV 41 Closed center LS-avlastning
Internt pilottryck
OEM: HFLS004101157
Artikelnr:
8870001024
Dela:
Share on Twitter
Share on Facebook
Share on Pinterest
Tipsa en vän
Specifikationer
Specifikationer
Användningsområde
Mittinlopp
Beskrivning
Closed center LS-avlastning
Fabrikat
Brevini
OEM
HFLS004101157
Serie
HPV 41