Menu
Sök
Personal menu
Sök i butiken
Close
Sök
Mitt konto
Mitt konto
Close
Logga in
Webshop - Alla kategorier
Menu
Close
AMAB Startsida
Ledningskomponenter
Hydraulikkomponenter
Övriga Produkter
Pressmått
Kontakt
Webshop - Alla kategorier
Back
Ledningskomponenter
Hydraulikkomponenter
Övriga Produkter
AMAB Startsida
Pressmått
Kontakt
Hem
/
Hydraulikkomponenter
/
Miniaggregat
/
Lösa delar miniaggregat
/
FP NG6 Block 3 stations
FP NG6 Block 3 stations
Artikelnr:
8888100343
Dela:
Share on Twitter
Share on Facebook
Share on Pinterest
Tipsa en vän
Specifikationer
Dokumentation
Specifikationer
Användningsområde
Miniaggregat FP
Förp. Antal
1
Beskrivning
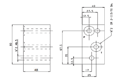
NG6 block 3 stations
Anslutning
G 3/8"
Antal sektioner
3
Pos
20
Fabrikat
Dana
Dokument
FP montageblock 342