Menu
Sök
Personal menu
Sök i butiken
Close
Sök
Mitt konto
Mitt konto
Close
Logga in
Webshop - Alla kategorier
Menu
Close
AMAB Startsida
Ledningskomponenter
Hydraulikkomponenter
Övriga Produkter
Pressmått
Kontakt
Webshop - Alla kategorier
Back
Ledningskomponenter
Hydraulikkomponenter
Övriga Produkter
AMAB Startsida
Pressmått
Kontakt
Hem
/
Hydraulikkomponenter
/
Ackumulatorer
/
Tillbehör / Reservdelar
/
Adapter
/
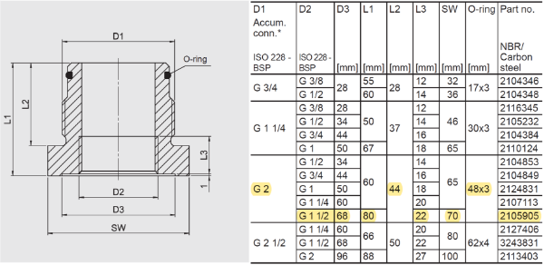
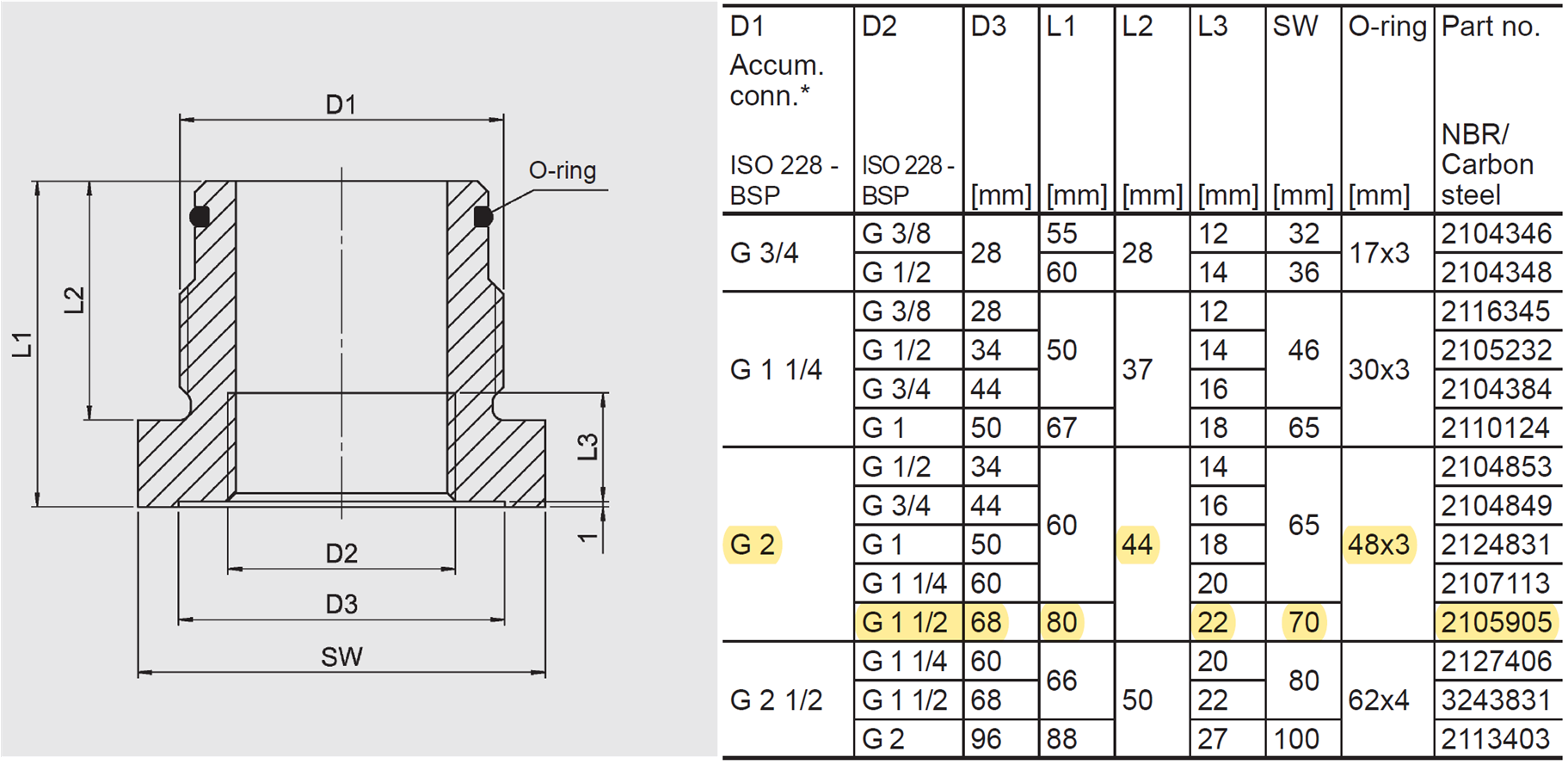
Adapter G2A-G1 1/2 NBR/S355
Adapter G2A-G1 1/2 NBR/S355
Artikelnr:
8900400005
Dela:
Share on Twitter
Share on Facebook
Share on Pinterest
Tipsa en vän
Specifikationer
Specifikationer
Fabrikat
Hydac
Användningsområde
Adapter/ reducering SB
Anslutning
G 2" / G 1 1/2"
OEM
2105905